
400-8616-826
NR9600 是一個提供串口的 MP3 芯片,集成了 MP3、WMV 的硬解碼芯片。同時軟件支持 TF 卡驅動,支持電腦直接更新 spi flash 的內容,支持 FAT16、FAT32 文件系統。通過簡單的 UART 串口指令或一線串口指令即可完成播放指定的音樂,以及如何播放音樂等功能,無需繁瑣的底層操作,音質優美,使用方便,穩定可靠是此款產品的大特點。另外該MP3芯片也是深度定制的產品,專為固定語音播放領域開發的低成本解決方案。
2、產品特征
◆ 支持采樣率(KHz):8/11.025/12/16/22.05/24/32/44.1/48。音質優美,立體聲。
◆ 24 位DAC 輸出,內部采用DSP硬解碼,非PWM輸出,動態范圍支持90dB,信噪比支持85dB
◆ 完全支持FAT16、FAT32 文件系統,大支持32G的TF 卡,支持32G的U盤
◆ 廣播語插播功能,可以暫停正在播放的背景音樂,支持指定路徑下的歌曲播放,支持跨盤符插播,支持插播提前結束
◆ 支持觸發不可以打斷播放
◆ 指定時間播放
◆ 指定盤符播放,指定曲目播放
◆ 30級音量可調,5種EQ可調(NORMAL-POP-ROCK-JAZZ--CLASSIC)
◆ 指定路徑播放(支持中英文)
◆ 文件夾切換
◆ 指定時間段復讀
◆ 支持電腦聲卡控制,支持USBmass storage
◆ 多種控制模式,UART串口模式、一線串口模式、AD按鍵控制模式
3、引腳
3.1、芯片引腳圖

3.2、芯片引腳說明
| 引腳序號 | 引腳名稱 | 功能描述 | 備注 |
| 1 | OSCI/P56 | GPIO | RTC Oscillator In AUXR2: Analog MUX right channel input 2 |
| 2 | OSCO/P57 | GPIO | RTC Oscillator Out AUXL2: Analog MUX left channel input 2 |
| 3 | RX/P27 | GPIO | RX: UART Data In(D) AUXL1: Analog MUX left channel input 1 |
| 4 | TX/P26 | GPIO | TX: UART Data Out(D) AUXR1:Analog MUX right channel input 1 |
| 5 | MIC/P23 | GPIO | MIC: Analog MIC input |
| 6 | VCOM | DAC Reference | |
| 7 | DACVSS | DAC Ground | |
| 8 | DACL | DAC Left Channel | |
| 9 | DACR | DAC Right Channel | |
| 10 | VDD3V3 | Power 3.3V OUT | |
| 11 | VCC | MCU Power | |
| 12 | VSSIO | IO Ground | |
| 13 | P52 | GPIO | |
| 14 | P51 | GPIO | |
| 15 | VPP/P50 | GPIO | WKUP3:Port Interrupt/Wakeup Cap port |
| 16 | USBDM/P37 | GPIO | USBDM:USB Negative Data |
| 17 | USBDP/P36 | GPIO | USBDP:USB Positive Data |
| 18 | SCLK/P12 | GPIO | SPI Clock |
| 19 | MOSI/P11 | GPIO | ADC9:ADC Channel 9 Input MOSI:SPI Data Out |
| 20 | MISO/P10 | GPIO | ADC8:ADC Channel 8 Input MISO: SPI Data In |
| 21 | P02 | GPIO | ADC2:ADC Channel 2 Input WKUP0:PortInterrupt/Wakeup |
| 22 | SDDAT/P22 | GPIO | SDDAT: SD Data ADC13:ADC Channel 13 Input |
| 23 | SDCLK/P21 | GPIO | SDCLK: SD Clock ADC12:ADC Channel 12 Input |
| 24 | SDCMD/P20 | GPIO | SDCMD: SD Command ADC11:ADC Channel 11 Input |
4、控制模式
4.1、ADKEY按鍵控制模式
我們采用的是AD 按鍵的方式,取代了傳統了矩陣鍵盤的接法,這樣做的好處是充分利用了MCU 越來越強大的AD功能。設計簡約而不簡單,模塊默認配置2 個AD 口,10個按鍵的阻值分配,如果使用在強電磁干擾或者強感性、容性負載的場合,請參考我們的“注意事項”。
4.1.1、ADKEY原理圖

4.2、MCU一線串口控制
NR9600支持單片機模擬一線串口控制,該控制方式簡單方便,適用于任何單片機。
4.2.1、一線串口控制時序圖
一線串口MCU只需要一根線就可以控制了,由頭碼和占空比組碼,先發低位,頭碼拉低3ms以上,平時保持高。總共8位。時序占空比約為1:3.時序范圍介于300us:900us到1000us:3000us之間。誤差容許10%。

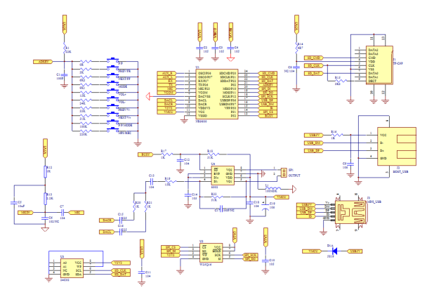
5、電路圖(可向客服索要高清文件)
